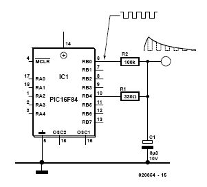
pic16f84 ile polifonik kapı zili
Pic16f84 üzerine kurulmuş polifonik sesli kapı zili için gerekli devre şeması, baskı devre, hex, asm kodlarını aşağıdaki linkten indirebilirsiniz. Pic ile gerçekleştirilmiş ilginç bir uygulama olmuş.
Pic16f84 polifonik kapı zili download
alternatif link:
Pic16f84 polifonik kapı zili download








bu zil sizin kendi becerinizin mi yoksa, alıntı mı? elektronik devrelerle uğraşmak gerçekten zor olmalı diye düşünüyorum.
YanıtlaSilProje bana ait değil ben sadece aktardım. Dediğiniz gibi elektronik zor bir iş ve emek istiyor. Bana ait birkaç projenin olduğu link aşağıda...
YanıtlaSilhttp://sedaelektronik.blogspot.com